How To Jump A 24 Volt System
How to jump a 24 volt system. Most reason you will find 24 volt systems converted to 12 volts was because the military 24volt components were hard to find back when. So to recap heres the procedure when you have two batteries wired in series for 24v. I dont want to alarm you but quite a few of the early 24 volt tractors burned up wiring harnesses due to the lack of these circuit breakers and fused ground lead.
Connect the large lead of the tester to the cranking motors battery post on the solenoid and the ground post of the cranking motor. Jump-starting a 24-volt system from a 12-volt system wont work if only one 12-volt battery is available but if the 12-volt truck has two batteries it becomes possible to produce a 24-volt supply. Get the detail on how to safely jump a 24 Volt system from a 12 volt system.
Yes by hooking cables to one battery whether it is to the individual terminals or any of the other ways to isolate the circuit to one battery you end up with your jumper circuit registering as a 12 volt circuit 12-14volts on volt meter with your electrical on the 24 volt system intact. Use jump leads connecting to and - to -. Find this Pin and more on Other RV Stuff by RVMega.
Nothing wrong with the 24volt system. Put the 24-volt truck in neutral and. Connect a jump lead from the positive terminal to the positive terminal on the 24-volt truck battery.
Red to red andblack to black. Pop the hood and locate your vehicles battery. When you do that you are tapping into the middle of the 24 volt setup and when the trucks charging system takes over you wont get a 24 volt surge into the 12 volt system.
Its just as reliable as any other system what ever the voltage. 2 Start the master vehicle and connect the jumper cables to the battery. Determine if you have two 12 volt batteries Parallel or two 6 volt batteries Series.
You can damage a 12-volt starting motor Pontiac G8 ignition system and other electrical parts beyond repair by use of a 24-volt power supply either two 12-volt batteries in series or a 24-volt motor generator setWARNING - Battery Keep all flames or sparks away from the battery. What are you jump starting.
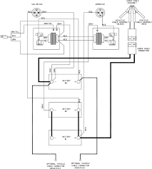
Since the 24 volt system is actually two 12 volt systems joined together the two circuit breakers at the starter were designed to protect the two circuits.
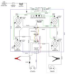
I dont want to alarm you but quite a few of the early 24 volt tractors burned up wiring harnesses due to the lack of these circuit breakers and fused ground lead. Connect the large lead of the tester to the cranking motors battery post on the solenoid and the ground post of the cranking motor. 3 Connect the jumper cables to the 12v battery in the slave vehicle. Jump starting a 24 volt system. 4 Charge and jump slave vehicle. I believe since the internet things are easier to find these days. Just because you have three or 4 batteries it doesnt mean that you have 24 or 36 volts going to your starter. So to recap heres the procedure when you have two batteries wired in series for 24v. Determine if you have two 12 volt batteries Parallel or two 6 volt batteries Series.
Most reason you will find 24 volt systems converted to 12 volts was because the military 24volt components were hard to find back when. Find this Pin and more on Other RV Stuff by RVMega. What are you jump starting. When you do that you are tapping into the middle of the 24 volt setup and when the trucks charging system takes over you wont get a 24 volt surge into the 12 volt system. This video is a guide only on how to connect a battery charger to a 24 volt battery system. You are starting an outboard motor they all have starters that run off 12 volts. Connect a jump lead from the positive terminal to the positive terminal on the 24-volt truck battery.
 
 										 				 
 										 				 
 										 				 
 										 				 
 										 				 
 										 				 
 										 				 
 										 				 
 										 				 
 										 				 
 										 				 
 										 				 
 										 				 
 										 				 
 										 				 
 										 				 
 										 				 
 										 				 
 										 				 
 										 				 
 										 				 
 										 				 
 										 				 
 										 				 
 										 				 
 										 				 
 										 				 
 										 				 
 										 				 
 										 				 
 										 				 
 										 				 
 										 				 
 										 				 
 										 				
Post a Comment for "How To Jump A 24 Volt System"